Product Summary
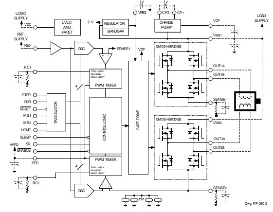
The A3977SLP is a complete microstepping motor driver with built-in translator. They are designed to operate bipolar stepper motors full-, half-, quarter-, and eighth-step modes, with output drive capability of 3V and ±2.5 A. The A3977 includes a fixed off-time current regulator that ha the ability to operate in slow-, fast-, or mixed-decay modes. This current decay control scheme results in reduced audible motor noise, increased step accuracy, and reduced power dissipation.The translator is the key to the easy implementation of the A3977.
Parametrics
A3977SLPT absolute maximum ratings: (1)Load Supply Voltage, VBB:35 V; (2)Output Current, IOUT: ±2.5 A; (3)Logic Supply Voltage, VDD: 7.0 V; (4)Logic Input Voltage Range, VIN(tw>30ns):-0.3V to VDD + 0.3 V(tw<30 ns):-1 V to VDD+ 1 V; (5)Sense Voltage, VSENSE: 0.5V; (6)Reference Voltage, VREF: VDD; (7)Package Power Dissipation,PD: See page 3; (8)Operating Temperature Range, TA:-20°C to +85°C; (9)Junction Temperature, TJ: +150°C; (10)Storage Temperature Range,TS: -55°C to +150°C.
Features
A3977SLPT features: (1)±2.5 A, 35 V Output Rating; (2)Low rDS(on)Outputs, 0.45Ω Source, 0.36Ω Sink Typical; (3)Automatic Current Decay Mode Detection/Selection; (4)3.0 V to 5.5 V Logic Supply Voltage Range; (5)Mixed, Fast, and Slow Current Decay Modes; (6)Home Output; (7)Synchronous Rectification for Low Power Dissipation; (8)Internal UVLO and Thermal Shutdown Circuitry; (9)Crossover-Current Protection.
Diagrams

| Image | Part No | Mfg | Description | ![]() |
Pricing (USD) |
Quantity | ||||||||||||
|---|---|---|---|---|---|---|---|---|---|---|---|---|---|---|---|---|---|---|
![]() |
![]() A3977SLPTR |
![]() |
![]() IC MOTOR DRVR PWM DUAL 28TSSOP |
![]() Data Sheet |
![]() Negotiable |
|
||||||||||||
![]() |
![]() A3977SLPTR-T |
![]() |
![]() IC MOTOR DRVR PWM DUAL 28TSSOP |
![]() Data Sheet |
![]()
|
|
||||||||||||
(Hong Kong)









