Product Summary
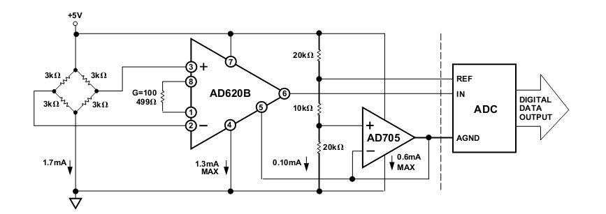
The AD620 is a low cost, high accuracy instrumentation amplifier that requires only one external resistor to set gains of 1 to 1000. Furthermore, the AD620 features 8-lead SOIC and DIP packaging that is smaller than discrete designs, and offers lower power (only 1.3 mA max supply current), making it a good fit for battery powered, portable (or remote) applications.; (2)The AD620, with its high accuracy of 40 ppm maximum nonlinearity, low offset voltage of 50μV max and offset drift of0.6 μV/°C max, is ideal for use in precision data acquisition systems, such as weigh scales and transducer interfaces. Fur-thermore, the low noise, low input bias current, and low power of the AD620 make it well suited for medical applications such as ECG and noninvasive blood pressure monitors.
Parametrics
AD620BN absolute maximum ratings: (1)supply voltage: ±18V; (2)internal power dissipation: 650mW; (3)input voltage: 25V; (4)storage temperature range: -65 to 150℃; (5)storage temperature range NR: -65 to 125℃; (6)lead temperature range: 300℃.
Features
AD620BN features: (1)easy to use; (2)gain set with one external resistor(Gain Range 1 to 1000); (3)Wide pwer supply range (±2.3 V to ±18 V); (4)Higher performance than Three op amp IA designs; (5)Available in 8-Lead DIP and SOIC Packaging; (6)Low power, 1.3 mA max Supply Current; (7)excellent dc performance (“B GRADE”); (8)50μV max, Input Offset Voltage; (9)0.6μV/°C max, Input Offset Drift; (10)1.0 nA max, Input Bias Current.
Diagrams

| Image | Part No | Mfg | Description | ![]() |
Pricing (USD) |
Quantity | ||||||||||||||||||
|---|---|---|---|---|---|---|---|---|---|---|---|---|---|---|---|---|---|---|---|---|---|---|---|---|
![]() |
![]() AD620BNZ |
![]() |
![]() IC AMP INST LP LN 18MA 8DIP |
![]() Data Sheet |
![]()
|
|
||||||||||||||||||
![]() |
![]() AD620BN |
![]() |
![]() IC AMP INST LP LN 18MA 8DIP |
![]() Data Sheet |
![]()
|
|
||||||||||||||||||
(Hong Kong)









