Product Summary
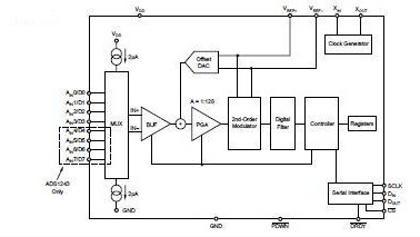
The ADS1242IPW is a precision, wide dynamic range, delta-sigma, analog-to-digital (A/D) converter with 24-bit resolution operating from 2.7V to 5.25V supplies. The delta-sigma, A/D converter ADS1242IPW provides up to 24 bits of no missing code performance and effective resolution of 21 bits. The applications of the ADS1242IPW include industrial process control, liquid/gas chromatography, blood analysis, smart transmitters, portable instrumentation and weight scales.
Parametrics
ADS1242IPW absolute maximum ratings: (1)VDD to GND: –0.3V to +6V; (2)Input Current 100mA, Momentary; (3)Input Current: 10mA, Continuous; (4)AIN: GND – 0.5V to VDD + 0.5V; (5)Digital Input Voltage to GND: –0.3V to VDD + 0.3V; (6)Digital Output Voltage to GND: –0.3V to VDD + 0.3V; (7)Maximum Junction Temperature: +150℃; (8)Operating Temperature Range: –40 to +85℃; (9)Storage Temperature Range: –60 to +100℃; (10)Lead Temperature (soldering, 10s): +300℃.
Features
ADS1242IPW features: (1)24 bits no missing codes; (2)simultaneous 50Hz and 60Hz rejection (–90dB minimum); (3)0.0015% INL; (4)21 bits effective resolution (PGA = 1), 19 BITS (PGA = 128); (5)PGA gains from 1 to 128; (6)single-cycle settling; (7)programmable data output rates; (8)external differential reference of 0.1V TO 5V; (9)on-chip calibration; (10)SPI. compatible; (11)2.7V TO 5.25V Supply range; (12)600μW power consumption; (13)up to eight input channels; (14)up to eight data I/O.
Diagrams

| Image | Part No | Mfg | Description | ![]() |
Pricing (USD) |
Quantity | ||||||||||||
|---|---|---|---|---|---|---|---|---|---|---|---|---|---|---|---|---|---|---|
![]() |
![]() ADS1242IPWR |
![]() Texas Instruments |
![]() ADC (A/D Converters) 24-Bit ADC 4 Ch |
![]() Data Sheet |
![]()
|
|
||||||||||||
![]() |
![]() ADS1242IPWRG4 |
![]() Texas Instruments |
![]() ADC (A/D Converters) 24-Bit ADC 4 Ch |
![]() Data Sheet |
![]()
|
|
||||||||||||
![]() |
![]() ADS1242IPWT |
![]() Texas Instruments |
![]() ADC (A/D Converters) 24-Bit ADC 4 Ch |
![]() Data Sheet |
![]()
|
|
||||||||||||
![]() |
![]() ADS1242IPWTG4 |
![]() Texas Instruments |
![]() ADC (A/D Converters) 24-Bit ADC 4 Ch |
![]() Data Sheet |
![]()
|
|
||||||||||||
(Hong Kong)









