Product Summary
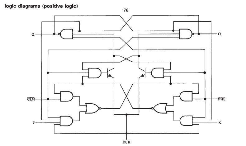
The SN74LS76AN is a dual J-K flip-flop. The SN74LS76AN contains two independent J-K flip-flops with individual J-K, clock, preset, and clear inputs. The SN74LS76AN is a positive-edge-triggered flip- flop. J-K input is loaded into the master while the clock is high and transferred to the slave on the high-to-low transition. For the SN74LS76AN the J and K inputs must be stable while the clock is high.
Parametrics
SN74LS76AN absolute maximum ratings: (1)supply voltage: 7V; (2)input voltage: 7V; (3)storage temperature range: -65 to 150℃.
Features
SN74LS76AN features: (1)Package Options Include Plastic and Ceramic DIPs and Ceramic Flat Packages; (2)Dependable Texas Instruments Quality and Reliability.
Diagrams

![]() |
![]() SN7400 |
![]() Other |
![]() |
![]() Data Sheet |
![]() Negotiable |
|
||||||||||||
![]() |
![]() SN7400D |
![]() Texas Instruments |
![]() Gates (AND / NAND / OR / NOR) Quad 2-input Positive-NAND gates |
![]() Data Sheet |
![]()
|
|
||||||||||||
![]() |
![]() SN7400DE4 |
![]() Texas Instruments |
![]() Gates (AND / NAND / OR / NOR) Quad 2-input Positive-NAND gates |
![]() Data Sheet |
![]()
|
|
||||||||||||
![]() |
![]() SN7400DG4 |
![]() Texas Instruments |
![]() Gates (AND / NAND / OR / NOR) Quad 2-input Pos- NAND |
![]() Data Sheet |
![]()
|
|
||||||||||||
![]() |
![]() SN7400DR |
![]() |
![]() IC QUAD 2IN POS-NAND GATE 14SOIC |
![]() Data Sheet |
![]() Negotiable |
|
||||||||||||
![]() |
![]() SN7400DRE4 |
![]() |
![]() IC QUAD 2IN POS-NAND GATE 14SOIC |
![]() Data Sheet |
![]() Negotiable |
|
||||||||||||
(Hong Kong)









