Product Summary
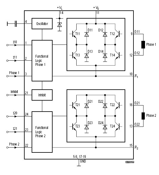
The TLE 4726 is a 2-Phase stepper-motor driver, monolithic IC for driving bipolar stepper motors, DC motors and other inductive loads that operate on constant current. The control logic and power output stages for two bipolar windings are integrated on a single chip which permits switched current control of motors with 0.75 A per phase at operating voltages up to 50 V.The TLE 4726 can be driven directly by a microprocessor with the possibility of all modes from full step through half step to mini step.
Parametrics
TLE 4726 absolute maximum ratings: (1)Supply voltage VS: 52 V ; (2)Logic supply voltage VL: 6.5 V; (3)Z-current of VL IL: 50 mA ; (4)Output current IQ: -1 to 1 A ; (5)Ground current IGND: -2 to 2 A; (6)Logic inputs VIxx: – 6 VL +0.3V; (7)R1, R2, oscillator input voltage VRX,VOSC: – 0.3 to VL +0.3V; (9)Junction temperature Tj:125°C; Tj150°C; (10)Storage temperature Tstg: – 50 to 125 °C.
Features
TLE 4726 features: (1)2×0.75 A / 50 V outputs; (2)Integrated driver, control logic and current control (chopper); (3)Fast free-wheeling diodes; (4)Low standby-current drain; (5)Full, half, quarter, mini step.
Diagrams

| Image | Part No | Mfg | Description | ![]() |
Pricing (USD) |
Quantity | ||||||||||||
|---|---|---|---|---|---|---|---|---|---|---|---|---|---|---|---|---|---|---|
![]() |
![]() TLE4726G |
![]() Infineon Technologies |
![]() Motor / Motion / Ignition Controllers & Drivers 2-Phase Stepper Motor Driver |
![]() Data Sheet |
![]()
|
|
||||||||||||
![]() |
![]() TLE4726 |
![]() Other |
![]() |
![]() Data Sheet |
![]() Negotiable |
|
||||||||||||
(Hong Kong)










