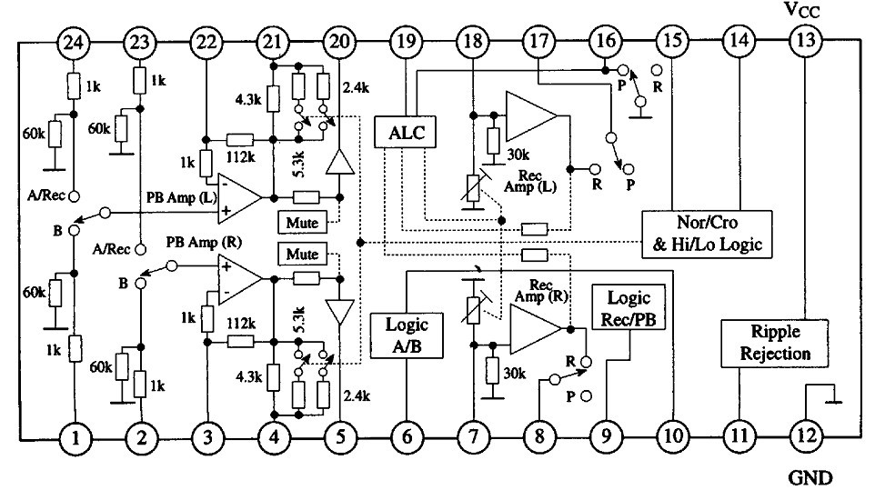
Product Summary
The AN7348K is a dual record/playback pre-amplifier IC for double cassette. It is a monolithic integrated circuit designed for double cassette recorder . It has dual channel PB/Recamplifier with ALC function. Tape A(PB only)and Tape B(PB/Rec select, Normal/Chrome select,Normal/High speed dubbing select and Rec/PB selection are easily controlled by 4 pins. It requires no external FET switches at PB amp.input and Rec amp.output. External components are also minimized.In addition,this Ic has low susceptibility to EMC.
Parametrics
AN7348K absolute maximum ratings: (1)supply voltage: 12.4V; (2)supply current: 40mA; (3)power dissipation: 500mW; (4)operating ambient temperature: -20 to 75℃; (5)storage temperature: -55 to 150℃.
Features
AN7348K features: (1)Built-in Normal/Chrome equalizier for PB amplifier; (2)Built-in Normal/High speed equalization for PB amplifier; (3)Built-in Tape A/B switching; (4)Built-in Rec/PB select; (5)ALC function for recording; (6)Wide operating supply voltage range:VCC=3.6V-12V; (7)Can connect IC directly to tape head.No external FET switches is required; (8)Minimum switching noise.
Diagrams

![]() |
![]() AN7338K |
![]() Other |
![]() |
![]() Data Sheet |
![]() Negotiable |
|
||||
![]() |
![]() AN7352S |
![]() Other |
![]() |
![]() Data Sheet |
![]() Negotiable |
|
||||
![]() |
![]() AN7353S |
![]() Other |
![]() |
![]() Data Sheet |
![]() Negotiable |
|
||||
![]() |
![]() AN7354SC |
![]() Other |
![]() |
![]() Data Sheet |
![]() Negotiable |
|
||||
![]() |
![]() AN7395K |
![]() Other |
![]() |
![]() Data Sheet |
![]() Negotiable |
|
||||
![]() |
![]() AN7395S |
![]() Other |
![]() |
![]() Data Sheet |
![]() Negotiable |
|
||||
(Hong Kong)








