Product Summary
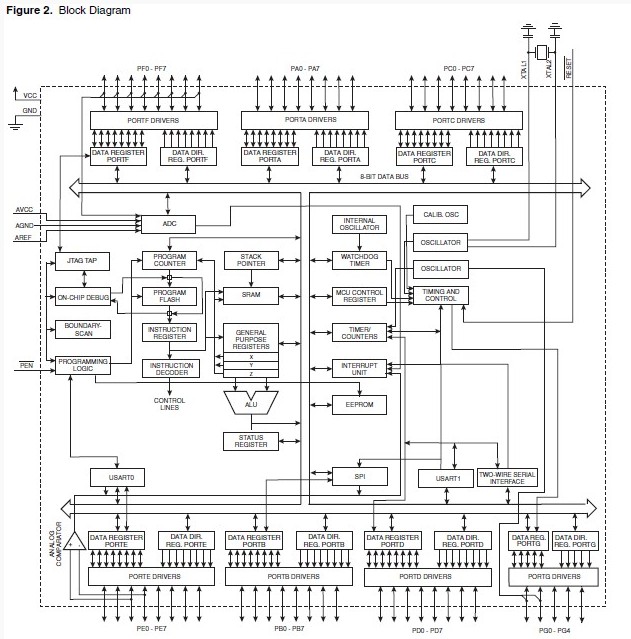
The ATmega128L-8AU is a low-power CMOS 8-bit microcontroller based on the AVR enhanced RISC architecture. By executing powerful instructions in a single clock cycle, the ATmega128L-8AU achieves throughputs approaching 1 MIPS per MHz allowing the system designer to optimize power consumption versus processing speed.
Parametrics
ATMEGA128L-8AU absolute maximum ratings: (1)Operating Temperature: -55℃ to +125℃; (2)Storage Temperature: -65℃ to +150℃; (3)Voltage on any Pin except RESET with respect to Ground: -0.5V to VCC+0.5V; (4)Voltage on RESET with respect to Ground: -0.5V to +13.0V; (5)Maximum Operating Voltage: 6.0V; (6)DC Current per I/O Pin: 40.0 mA; (7)DC Current VCC and GND Pins: 200.0mA.
Features
ATMEGA128L-8AU features: (1)High-performance, Low-power AVR 8-bit Microcontroller; (2)Advanced RISC Architecture; (3)Nonvolatile Program and Data Memories; (4)JTAG (IEEE std. 1149.1 Compliant) Interface; (5)Real Time Counter with Separate Oscillator; (6)Two 8-bit PWM Channels; (7)8 Single-ended Channels; (8)7 Differential Channels; (9)2 Differential Channels with Programmable Gain at 1x, 10x, or 200x; (10)Byte-oriented Two-wire Serial Interface; (11)Dual Programmable Serial USARTs; (12)Master/Slave SPI Serial Interface; (13)Programmable Watchdog Timer with On-chip Oscillator; (14)On-chip Analog Comparator; (15)I/O and Packages; (16)53 Programmable I/O Lines; (17)64-lead TQFP and 64-pad QFN/MLF; (18)Operating Voltages: 2.7 - 5.5V; (19)Speed Grades: 0 - 8 MHz.
Diagrams

| Image | Part No | Mfg | Description | ![]() |
Pricing (USD) |
Quantity | ||||||||||||
|---|---|---|---|---|---|---|---|---|---|---|---|---|---|---|---|---|---|---|
![]() |
![]() ATmega128L-8AU |
![]() Atmel |
![]() 8-bit Microcontrollers (MCU) 128kB Flash 4kB EEPROM 53 I/O Pins |
![]() Data Sheet |
![]()
|
|
||||||||||||
![]() |
![]() ATMEGA128L-8AUR |
![]() Atmel |
![]() 8-bit Microcontrollers (MCU) AVR,128KB FLASH,8MHZ 4KB EE 4KB SRAM |
![]() Data Sheet |
![]()
|
|
||||||||||||
(Hong Kong)










