Product Summary
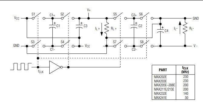
The MAX232EESE is a line driver. It is designed for RS-232 and V.28 communications in harsh environments. Each transmitter output and receiver input is protected against ±15kV electrostatic discharge (ESD) shocks, without latchup. The various combinations of features are outlined in the Selector Guide. The drivers and receivers for all ten devices meet all EIA/TIA-232E and CCITT V.28 specifications at data rates up to 120kbps, when loaded in accordance with the EIA/TIA-232E specification. The MAX211E/MAX213E/MAX241E are available in 28-pin SO packages, as well as a 28-pin SSOP that uses 60% less board space.
Parametrics
MAX232EESE absolute maximum ratings: (1)VCC: -0.3V to +6V; (2)V+:(VCC - 0.3V) to +14V; (3)V- :-14V to +0.3V; (4)Input Voltages:T_IN =0.3V to (V+ + 0.3V);R_IN =±30V; (5)Output Voltages :T_OUT=(V- - 0.3V) to (V+ + 0.3V);R_OUT=-0.3V to (VCC + 0.3V); (6)Short-Circuit Duration, T_OUT:Continuous; (7)Continuous Power Dissipation (TA = +70°C):16-Pin Plastic DIP (derate 10.53mW/°C above +70°C)842mW.
Features
MAX232EESE features: (1)For Low-Voltage Applications:MAX3222E / MAX3232E / MAX3237E / MAX3241E/ MAX3246E: ±15kV ESD-Protected Down to 10nA, +3.0V to +5.5V, Up to 1Mbps, True RS-232 Transceivers (MAX3246E Available in a UCSP tm Package); (2)For Low-Power Applications :MAX3221/MAX3223/MAX3243: 1μA Supply; (3)Current, True +3V to +5.5V RS-232 Transceivers with Auto-Shutdown tm; (4)For Space-Constrained Applications :MAX3233E/MAX3235E: ±15kV ESD-Protected,1μA, 250kbps, +3.0V/+5.5V, Dual RS232 Transceivers with Internal Capacitors; (5)For Low-Voltage or Data Cable Applications:MAX3380E/MAX3381E: +2.35V to +5.5V, 1μA,2Tx/2Rx RS-232 Transceivers with ±15kV ESD-Protected I/O and Logic Pins.
Diagrams

| Image | Part No | Mfg | Description | ![]() |
Pricing (USD) |
Quantity | ||||||||||||
|---|---|---|---|---|---|---|---|---|---|---|---|---|---|---|---|---|---|---|
![]() |
![]() MAX232EESE |
![]() Maxim Integrated Products |
![]() RS-232 Interface IC 15kV ESD-Protected 5V RS232 Transceiver |
![]() Data Sheet |
![]()
|
|
||||||||||||
![]() |
![]() MAX232EESE+T |
![]() Maxim Integrated Products |
![]() RS-232 Interface IC 15kV ESD-Protected 5V RS232 Transceiver |
![]() Data Sheet |
![]()
|
|
||||||||||||
![]() |
![]() MAX232EESE-T |
![]() Maxim Integrated Products |
![]() RS-232 Interface IC 15kV ESD-Protected 5V RS232 Transceiver |
![]() Data Sheet |
![]()
|
|
||||||||||||
![]() |
![]() MAX232EESE+ |
![]() Maxim Integrated Products |
![]() RS-232 Interface IC 15kV ESD-Protected 5V RS232 Transceiver |
![]() Data Sheet |
![]()
|
|
||||||||||||
(Hong Kong)










