Product Summary
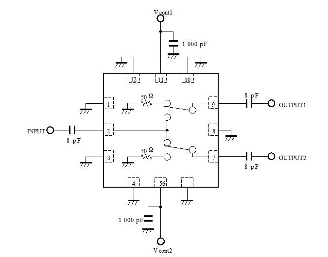
The UPG2157T5F is a GaAs MMIC 50 Ω termination type high power SPDT (S ingle Pole Double Throw) switch which was developed for WiMAX. This device can operate frequency from 2.3 to 5.85 GHz, having the low insertion loss and high isolation. This device is housed in a 12-pin plastic QFN (Q uad F lat Non-leaded) package. And this package is able to high-density surface mounting.
Parametrics
UPG2157T5F-E2 absolute maximum ratings: (1)switch control voltage: 6V; (2)input power: 38dBm; (3)input power: 28dBm; (4)input power: 20dBm; (5)operating ambient temperature: -45 to 85℃; (6)storage temperature: -55 to 150℃.
Features
UPG2157T5F-E2 features: (1)Control voltage :V cont (H) = 2.5 to 3.3 V (3.0 V TYP.) ;Vcont (L) = 0 to 0.4 V (0 V TYP.) ; (2)Low insertion loss : L ins 1 = 0.60 dB TYP. @ f = 2.3 to 2.7 GHz, Vcont (H) = 3.0 V, V cont (L) = 0 V ;Lins 2 = 0.60 dB TYP. @ f = 3.3 to 3.8 GHz, Vcont (H) = 3.0 V, V cont (L) = 0 V ;Lins 3 = 0.80 dB TYP. @ f = 5.15 to 5.85 GHz, Vcont (H) = 3.0 V, V cont (L) = 0 V ; (3)High isolation : ISL1 = 28 dB TYP. @ f = 2.3 to 2.7 GHz, V cont (H) = 3.0 V, V cont (L) = 0 V : ISL2 = 25 dB TYP. @ f = 3.3 to 3.8 GHz, V cont (H) = 3.0 V, V cont (L) = 0 V ;ISL3 = 22 dB TYP. @ f = 5.15 to 5.85 GHz, V cont (H) = 3.0 V, V cont (L) = 0 V ; (4)Handling power : P in (1 dB) ≥ +37.0 dBm TYP. @ f = 2.5 GHz, V cont (H) = 3.0 V, V cont (L) = 0 V ;Pin (1 dB) ≥ +37.0 dBm TYP. @ f = 5.85 GHz, Vcont (H) = 3.0 V, V cont (L) = 0 V ; (5)High-density surface mounting : 12-pin plastic QFN package (3.0 × 3.0 × 0.75 mm)
Diagrams

| Image | Part No | Mfg | Description | ![]() |
Pricing (USD) |
Quantity | ||||
|---|---|---|---|---|---|---|---|---|---|---|
![]() |
![]() UPG2157T5F-E2-A |
![]() CEL |
![]() RF Switch ICs Hi-Power SPDT Switch |
![]() Data Sheet |
![]() Negotiable |
|
||||
| Image | Part No | Mfg | Description | ![]() |
Pricing (USD) |
Quantity | ||||
![]() |
![]() UPG2005TB |
![]() CEL |
![]() RF Switch ICs L S Band SPDT Switch |
![]() Data Sheet |
![]() Negotiable |
|
||||
![]() |
![]() UPG2006TB |
![]() NEC/CEL |
![]() RF Switch ICs 1.8V SPDT Switch |
![]() Data Sheet |
![]() Negotiable |
|
||||
![]() |
![]() UPG2006TB-EVAL |
![]() CEL |
![]() RF Development Tools For UPG2006TB |
![]() Data Sheet |
![]() Negotiable |
|
||||
![]() |
![]() UPG2008TK |
![]() NEC/CEL |
![]() RF Switch ICs RO 551-UPG2008TK-A |
![]() Data Sheet |
![]() Negotiable |
|
||||
![]() |
![]() UPG2008TK-A |
![]() NEC/CEL |
![]() RF Switch ICs SPDT Dual Switch |
![]() Data Sheet |
![]() Negotiable |
|
||||
![]() |
![]() UPG2008TK-E2-A |
![]() NEC/CEL |
![]() RF Switch ICs SPDT Dual Switch |
![]() Data Sheet |
![]() Negotiable |
|
||||
(Hong Kong)









