Product Summary
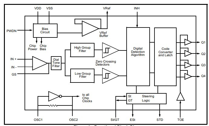
The MT8870DS is anintegrated DTMF receiver integrating both the bandsplit filter and digital decoder functions. The filter section uses switched capacitor techniques for high and low group filters; the decoder uses digital counting techniques to detect and decode all 16 DTMF tone-pairs into a 4-bit code. External component count is minimized by on chip provision of a differential input amplifier,clock oscillator and latched three-state bus interface.
Parametrics
MT8870DS absolute maximum ratings: (1)DC power supply voltage: 7V; (2)voltage on any pin: VDD+0.3V; (3)Current at any pin: 10mA; (4)Storage temperature: -65 to 150℃; (5)package power dissipation: 500mW.
Features
MT8870DS features: (1)Complete DTMF Receiver; (2)Low power consumption; (3)Internal gain setting amplifier; (4)Adjustable guard time; (5)Central office quality; (6)Power-down mode; (7)Inhibit mode; (8)Backward compatible with.
Diagrams

| Image | Part No | Mfg | Description | ![]() |
Pricing (USD) |
Quantity | ||||
|---|---|---|---|---|---|---|---|---|---|---|
![]() |
![]() MT8870DS |
![]() Other |
![]() |
![]() Data Sheet |
![]() Negotiable |
|
||||
| Image | Part No | Mfg | Description | ![]() |
Pricing (USD) |
Quantity | ||||
![]() |
![]() MT8804A |
![]() Other |
![]() |
![]() Data Sheet |
![]() Negotiable |
|
||||
![]() |
![]() MT8806 |
![]() Other |
![]() |
![]() Data Sheet |
![]() Negotiable |
|
||||
![]() |
![]() MT8808 |
![]() Other |
![]() |
![]() Data Sheet |
![]() Negotiable |
|
||||
![]() |
![]() MT8809 |
![]() Other |
![]() |
![]() Data Sheet |
![]() Negotiable |
|
||||
![]() |
![]() MT8812 |
![]() Other |
![]() |
![]() Data Sheet |
![]() Negotiable |
|
||||
![]() |
![]() MT8814 |
![]() Other |
![]() |
![]() Data Sheet |
![]() Negotiable |
|
||||
(Hong Kong)









